Skocz do zawartości

Akai GX77, problem i kilka pytań.


Rekomendowane odpowiedzi

Opublikowano

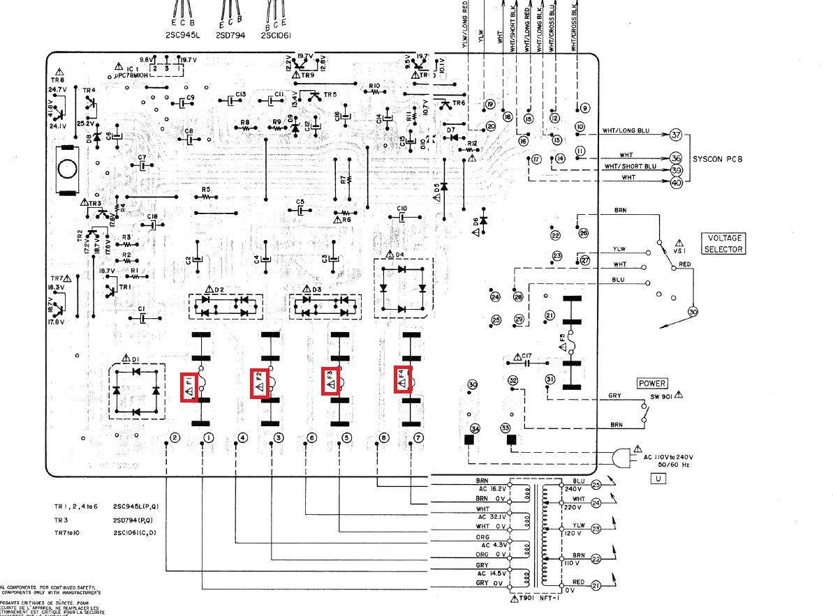
Panowie, znajomy ma tego szpulaka i ma z nim problem, po jakimś czasie odtwarzania przepala się bezpiecznik w obwodzie od zasilania panelu z klawiszami i podświetlenia. Po wymianie bezpiecznika, znowu trochę pogra i to samo, gdzie szukać przyczyny awarii ? 

Szczerze mówiąc ma zamiar się go pozbyć, a ja zastanawiam się czy go przygarnąć, jest na pewno do przeglądu, tylko zastanawiam się, czy się w to pakować, bo nie wiadomo co zastanę w środku ? stan wizualny bardzo ładny, ma go od pewnego czasu i chciał go oddać do przeglądu, ale zaczyna się wahać. Co o tym myślicie ?

IMG_20180421_191238.jpgIMG_20180421_121752.jpgIMG_20180801_195733.jpgIMG_20180801_195851.jpg

  • Odpowiedzi 8
  • Dodano
  • Ostatniej odpowiedzi

Top użytkownicy w tym temacie

  • siwy

    4

  • audiotone

    3

  • sherlock

    2

Popularne dni

Top użytkownicy w tym temacie

Opublikowane grafiki

  • Admin
Opublikowano

Z mojego punktu widzenia ma wadę, która jednocześnie jest zaletą - jest na małe szpulki. Nie zawsze mam czas siedzieć i słuchać jednej strony szpuli ponad 3h. Na małej szpulce dałbym jeden album na stronę i tyle by chyba wystarczyło. Fajna funkcja to rewers. Staję się po trochu coraz bardziej leniwy.

Opublikowano

A co może być przyczyną awarii, którą opisałem, podejrzewam, że nie łatwo na to odpowiedzieć, ale może tak w przybliżeniu potraficie podpowiedzieć i tak, jeśli podejmę decyzję o kupnie, to pójdzie do całego przeglądu, jeśli chodzi o stronę elektroniki, mechanikę spróbuję ogarnąć sam.

Aby zobaczyć więcej treści proszę zarejestrować się.

Jeśli chcesz dodać odpowiedź, zaloguj się lub zarejestruj nowe konto

Jedynie zarejestrowani użytkownicy mogą komentować zawartość tej strony.

Zarejestruj nowe konto

Załóż nowe konto. To bardzo proste!

Zarejestruj się

Zaloguj się

Posiadasz już konto? Zaloguj się poniżej.

Zaloguj się
×
×
  • Dodaj nową pozycję...

Powiadomienie o plikach cookie

Korzystając z tej witryny, wyrażasz zgodę na nasze Warunki użytkowania Regulamin Polityka prywatności.