Skocz do zawartości

Saba CD 362


Rekomendowane odpowiedzi

Opublikowano

IMG_20191229_152853.jpg

 

Witam wszystkich jakiś rok temu wpadł mi w ręce magnetofon Saba cd 362, kupiłem go jako uszkodzonego. Nie przewijał, wciągał taśmę itp. Do ogarnięcia bez większych problemów. Okazało się jednak że usterka jest nie tylko mechaniczna, ale także elektroniczna. Usterką jest nagrywanie w trybie High-Com. Magnetofon nagrywa zdecydowanie ciszej jeden kanał, który widać na załączonych zdjęciach. Wymieniłem wszystkie kondensatory elektrolityczne na płycie głównej. Nic się nie zmieniło jeśli chodzi o High-Com. Elektronik ze mnie lichy i traktuję to jak hobby i dobrą zabawę. Odtwarzanie super i nagrywanie też oprócz High-Com. Do ustawienia prędkości i poziomów występowania użyłem forumowej kasety

 

IMG_20191229_150327_1.jpg IMG_20191229_143453.jpg IMG_20191229_133746.jpg IMG_20191229_134608.jpg

 

IMG_20191229_134737.jpg IMG_20191229_133732.jpg 

 

  • Super (+1 pts) 1
  • Admin
Opublikowano

Ładny. Sabinka w sreberku jak dla mnie ładniejsza. Co do systemu High Com to ostatnio na fejsie ktoś miał kasetę serwisową właśnie dla tego systemu. Trzeba by poszukać w sieci jakie parametry ma sygnał na tej kasecie. Dobrze, że drugi kanał masz sprawny to można nim posiłkować się.

Opublikowano

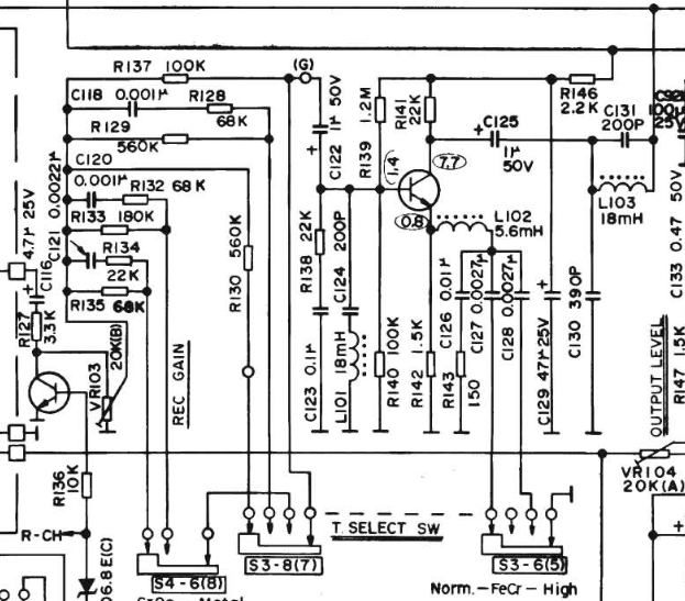
Myślałem o wymianie kondensatorów w tej sekcji. Dużo ich nie ma 

Aby zobaczyć więcej treści proszę zarejestrować się.

Jeśli chcesz dodać odpowiedź, zaloguj się lub zarejestruj nowe konto

Jedynie zarejestrowani użytkownicy mogą komentować zawartość tej strony.

Zarejestruj nowe konto

Załóż nowe konto. To bardzo proste!

Zarejestruj się

Zaloguj się

Posiadasz już konto? Zaloguj się poniżej.

Zaloguj się
×
×
  • Dodaj nową pozycję...

Powiadomienie o plikach cookie

Korzystając z tej witryny, wyrażasz zgodę na nasze Warunki użytkowania Regulamin Polityka prywatności.