Skocz do zawartości

Technics SA-GX550


Rekomendowane odpowiedzi

Opublikowano

20200321_172915.jpg

 

Technics SA-GX550

 

Specifications:
Tuning range: FM, MW
Power output: 65 watts per channel into 8Ω (stereo)
Surround output: 60W (front), 60W (center), 20W (rear)
Frequency response: 10Hz to 40kHz
Total harmonic distortion: 0.05%
Damping factor: 40
Input sensitivity: 3mV (MM), 200mV (line)
Signal to noise ratio: 80dB (MM), 88dB (line)
Channel separation: 55dB (line)
Output: 200mV (line)
Speaker load impedance: 4Ω to 16Ω
Video Connections: composite
Dimensions: 430 x 158 x 352mm
Weight: 10.8kg
Finish: black
Accessories: remote control

 

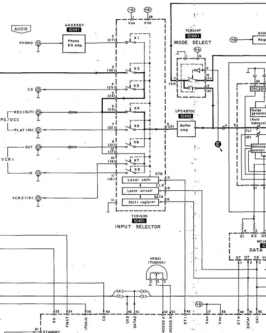
Dostałem od kolegi amplituner i jest w nim taki problem:

Podłączam CD do Wejścia CD w amplitunerze ustawiam selektor na CD i gra dobrze, przełączam na obojętnie które wejście VCR1,VCR2,PHONO,TUNER i na każdym wejściu gra podłączone CD a na TUNER gra i CD i Radio.Może miał ktoś taką przypadłość w amplitunerze Technicsa i wie co z tym zrobić będę ogromnie wdzięczny za jakiekolwiek podpowiedzi. 

20200321_172900.jpg

  • Odpowiedzi 1
  • Dodano
  • Ostatniej odpowiedzi

Top użytkownicy w tym temacie

  • sherlock

    1

  • Mandragor

    1

Popularne dni

Top użytkownicy w tym temacie

Opublikowane grafiki

  • Admin
Opublikowano

Jeśli chcesz zobaczyć zdjęcie, zaloguj się lub zarejestruj nowe konto

 

Prawdopodobnie może być uszkodzony przełącznik wejść bądź nie otrzymuje on prawidłowych sygnałów przełączających.

Jeśli chcesz dodać odpowiedź, zaloguj się lub zarejestruj nowe konto

Jedynie zarejestrowani użytkownicy mogą komentować zawartość tej strony.

Zarejestruj nowe konto

Załóż nowe konto. To bardzo proste!

Zarejestruj się

Zaloguj się

Posiadasz już konto? Zaloguj się poniżej.

Zaloguj się
×
×
  • Dodaj nową pozycję...

Powiadomienie o plikach cookie

Korzystając z tej witryny, wyrażasz zgodę na nasze Warunki użytkowania Regulamin Polityka prywatności.