Skocz do zawartości

Unitra Eltra DS361


Rekomendowane odpowiedzi

  • G.Moderator
Opublikowano

UNITRA ELTRA DS361

IMG_20201114_133000.jpg

 

Parametry techniczne:

Prędkość przesuwu taśmy: normalna 4,76cm/s, zwiększona 9,5cm/s.

Nierównomierność przesuwu taśmy: ≤ 0,2 %.

Czas przewijania C60: 110 s ± 15 s.

Automatyczne rozpoznawanie rodzaju taśm: Fe2O3, CrO2, Metal.
Charakterystyka Zapis-Odczyt: 40Hz-12,5kHz.

Stosunek S/N mierzony z filtrem CCIR/ARM z włączonym układem redukcji szumów Dolby B: 56 dB.

Czułość wejścia mikrofonowego: ≤ 0,4 mV.

Czułość wejścia liniowego LINE IN: ≤ 200 mV.

Napięcie wyjściowe LINE OUT: ≥ 500 mV.

Wymiary: 360x300x125 mm.

Masa: 4,4 kg.

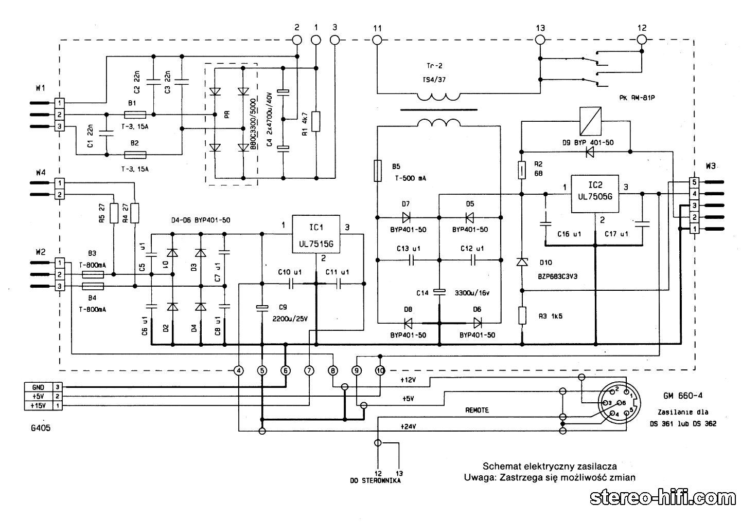
Zasilanie z Eltra ATS360/361 i ATS-361„Gama”, lub zespołu zewnętrznych zasilaczy stabilizowanych (na 5 V, 12 V i 24 V), podłączonych zgodnie ze schematem ideowym.

Pobór mocy: 8 VA.

Zalecana temperatura pracy: od +10 C do +40 C.

 

Trochę wnętrzaności

IMG_20201114_132746.jpg  IMG_20201114_132749.jpg  IMG_20201114_110456.jpg  IMG_20201114_110506.jpg  IMG_20201114_110509.jpg  IMG_20201114_110502.jpg  IMG_20201114_110554.jpg  IMG_20201114_110616.jpg  IMG_20201114_110828.jpg  IMG_20201114_110758.jpg Magnetofon skontrolowała prawdopodobnie pani Jolanta Kaniewska.

 

Miejsce na przyłączenie zewnętrznego zasilania.

IMG_20201114_110721.jpg

  • Super (+1 pts) 2
  • +1 1
  • Admin
Opublikowano

Trochę przykre wrażenie sprawia widok tej kopiarki :( 

  • G.Moderator
Opublikowano

Że taki czarny i smutny bez zasilania?

Aby zobaczyć więcej treści proszę zarejestrować się.

Jeśli chcesz dodać odpowiedź, zaloguj się lub zarejestruj nowe konto

Jedynie zarejestrowani użytkownicy mogą komentować zawartość tej strony.

Zarejestruj nowe konto

Załóż nowe konto. To bardzo proste!

Zarejestruj się

Zaloguj się

Posiadasz już konto? Zaloguj się poniżej.

Zaloguj się
×
×
  • Dodaj nową pozycję...

Powiadomienie o plikach cookie

Korzystając z tej witryny, wyrażasz zgodę na nasze Warunki użytkowania Regulamin Polityka prywatności.