Skocz do zawartości

Pioneer CT-W704RS


Rekomendowane odpowiedzi

Opublikowano

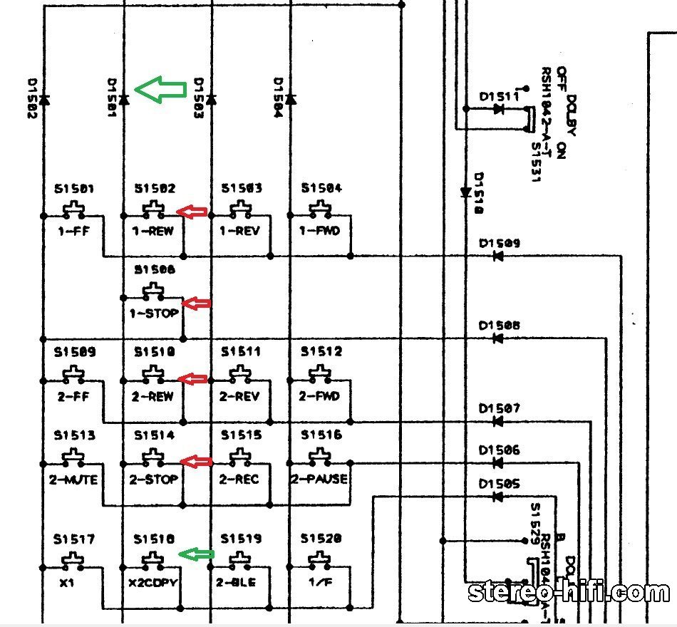
Witam

Mam problem z wyżej wymienionym magnetofonem

mianowicie nie działają niektóre przyciski (STOP-OBYDWIE KIESZENIE,PRZEWIJANIE W LEWO-OBYDWIE KIESZENIE ,KOPIOWANIE NORMALNE I SZYBKIE) pozostałe działają,magnetofon odtwarza i nagrywa

  • Odpowiedzi 6
  • Dodano
  • Ostatniej odpowiedzi

Top użytkownicy w tym temacie

  • jmaciejasz

    4

  • bilcor

    2

  • staszek66

    1

Top użytkownicy w tym temacie

Opublikowane grafiki

  • G.Moderator
Opublikowano

Bazując na schemacie do W604, bo taki mam, do sprawdzenia zaznaczona dioda. Cały rząd przechodzi przez nią. Copy x1może sam przycisk być wadliwy. 

Jeśli chcesz zobaczyć zdjęcie, zaloguj się lub zarejestruj nowe konto

Oznaczenie płytki S 1501-1527. RSG 1034. Sub unit (RWZ 3546). Sprawdź u siebie oznaczenia.

 

Aby zobaczyć więcej treści proszę zarejestrować się.

Jeśli chcesz dodać odpowiedź, zaloguj się lub zarejestruj nowe konto

Jedynie zarejestrowani użytkownicy mogą komentować zawartość tej strony.

Zarejestruj nowe konto

Załóż nowe konto. To bardzo proste!

Zarejestruj się

Zaloguj się

Posiadasz już konto? Zaloguj się poniżej.

Zaloguj się
×
×
  • Dodaj nową pozycję...

Powiadomienie o plikach cookie

Korzystając z tej witryny, wyrażasz zgodę na nasze Warunki użytkowania Regulamin Polityka prywatności.