Skocz do zawartości

Aiwa AD-F500


mirko

Rekomendowane odpowiedzi

Opublikowano

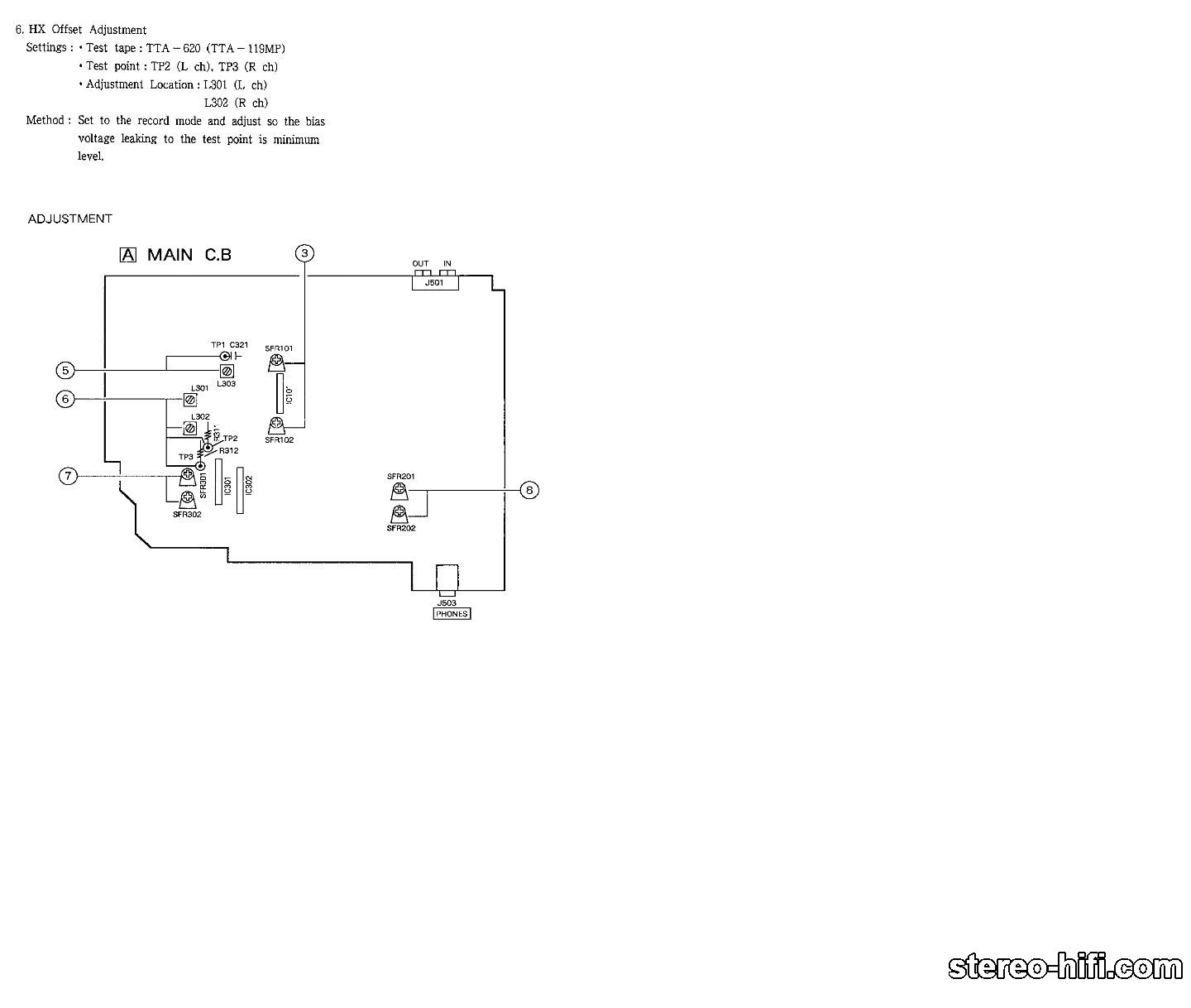
Z racji poszerzenia zbioru o tenże egzemplarz (mam juz AD-F410) podczas kalibracji natknąłem sie na problem związny z regulacją napięć układu HXPRO 

Zgodnie z pkt 6 SM mam włozoną czystą taśme typ IV czyli metal, właczone nagrywanie z pauzą, podany sygnał z generatora i...nic. Zadnego napięcia we wskazanych punktach TP2 I TP3. Kręcenie cewkami L301 i L302 nie daje nic. Odczyt to kompletne 0 czy na AC czy na DC miliwoltomierza. Sprawdzałem na moim AD-F410 któy ma identyczny układ i tam też to samo czyli odczyt zerowy.

Co robię nie właściwie? Bardzo proszę o podpowiedź.

 

 

 

HX.jpg

  • Odpowiedzi 7
  • Dodano
  • Ostatniej odpowiedzi

Top użytkownicy w tym temacie

  • bilcor

    4

  • mirko

    4

Popularne dni

Top użytkownicy w tym temacie

Opublikowane grafiki

  • G.Moderator
Opublikowano

Punkt 6. ustaw tryb nagrywania i dostosuj napięcie polaryzacji tak, aby  napięcie na  punkcie  testowym  było na minimalnym poziomie. Gdzie widzisz tu pauzę? Po co taśma metalowa czy inna skoro nie uruchamiasz nagrywania?

Opublikowano

Dziękuję za szybka podpowiedź!

Set to the record mode - rozumiem że należy ustawić tryb nagrywania. Tryb nagrywania czyli kaseta w kieszeni, podany sygnał i włączony record tak to sobie przedstawiłem. Pauza to dla mnie było zrozumiałe ułatwienie, że układ będzie działał ale bez konieczności zapisu na taśmę. 

Wg SM rodzaj taśmy TTA 620 to metal. 

Wychodzi brak warsztatu. Podłaczyłem sygnał 10kHz z generatora w komputerze, włączyłem zapis na taśmie normalnej do poziomu  OdB voltomierz  Aneneg 870 podłączony do masy druga sonda do TP. W trybie DC regulując cewkami wyszło najniżej jak się udało znaleźć około 2,49V  lewy i 2,52 V prawy kanał. Jak nie uruchomiłem nagrywania, to poziom  w punktach TP2 i TP3 był zerowy.

Chyba że znowu coś źle zrobiłem?

 

Aby zobaczyć więcej treści proszę zarejestrować się.

Jeśli chcesz dodać odpowiedź, zaloguj się lub zarejestruj nowe konto

Jedynie zarejestrowani użytkownicy mogą komentować zawartość tej strony.

Zarejestruj nowe konto

Załóż nowe konto. To bardzo proste!

Zarejestruj się

Zaloguj się

Posiadasz już konto? Zaloguj się poniżej.

Zaloguj się
×
×
  • Dodaj nową pozycję...

Powiadomienie o plikach cookie

Korzystając z tej witryny, wyrażasz zgodę na nasze Warunki użytkowania Regulamin Polityka prywatności.