Skocz do zawartości

Rekomendowane odpowiedzi

Opublikowano

IMG_20250921_211609357.jpg.80a72ac8f87057651133bf6d33826ebd.jpg

 

Unitra FS 032

 

Opis : to jest Unitra

 

Potrzebne było coś do ożywienia ciężkich do napędzenia i zamulonych kolumn, więc FS 032 został intronizowany po chyba 30-latach z piwnicy.

Nigdy nie otwierany wygłądał tak, czyli ładnie:

 

IMG_20250916_123115100.jpg.e108dd3d805978acbe5dc0a00b1d5be3.jpg  IMG_20250916_123151209.jpg.51a932a30391adbc834a0b46e276ceee.jpg   IMG_20250916_123126132.jpg.0b4d546612b479639c38bba64189ea18.jpg

 

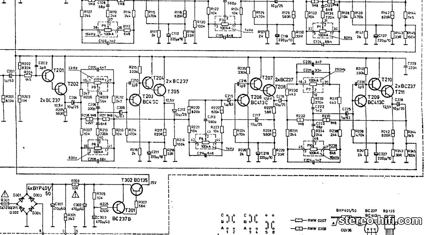
Suwaki były prawie przyspawane i potwornie trzeszczały By Pass i Tape. Najmniejsze kondensatory miały co najmniej podwójną pojemność i ESR, ale te większe były zupełnie dobre. Wymieniłem jednak wszystkie na szybko dostępne SamYoung, Jamicon bez rozczulania się, ale te trzy największe były jakieś lepsze. Nie do końca wiem, czy nie lepiej było zostawić Elwy.
W palcach rozpadł się jeden tranzystor T204 przez rdzę na nóżkach oraz ceramiczny 3,9pF. T204 zastąpiony nowszym w parze z T205 i symetrycznie drugi kanał. Właściwie wszystkie tranzystory miały poczerniałe nogi, szczególnie na środku płyty i to chyba nadaje się do wymiany jednak.

Czyszczenie, smarowanie i spawanie.

 

IMG_20250921_053636401.jpg.5eea79de5fbb7b93302bd2bbe7fcbe77.jpg  IMG_20250916_131129894_HDR.jpg.7ae62fd3ed4f513434d89e3b3a895339.jpg  IMG_20250919_184006649.jpg.07e9ad921496e222766dcfc42467622e.jpg

 

Po dokonaniu czynności jeden kanał przestał  grać. Powodem był na szczęście  urwany drucik od przycisku By Pass. Te druciki rwały się od samego spojrzenia, z tego co pamiętam były stalowe z oplotem miedzianym, który zazwyczaj szedł do masy, czyli takie ekranowanie. Gneneralnie kolektor żywo reagował na zbyt bliską bliskość człowieka i można było z nim nawet porozmawiac. Po nałożeniu pokrywy górnej uspokajał się.

Pozbyłem się tych sznurków grupujących kable (no bo bez przesady) ale nie wiem, czy to grupowanie ma jednak jakieś znaczenie.

 

IMG_20250921_205722440.jpg.20b901230a79c5cfa8d1404e842c19c7.jpg

 

Kolektor spełnia swoje zadanie, kolumny pięknie ożyły, nawet za bardzo, bo Unitra FS032 to dobry sprzęt jest.

  • Odpowiedzi 3
  • Dodano
  • Ostatniej odpowiedzi

Top użytkownicy w tym temacie

  • Kowalski

    3

  • bilcor

    1

Popularne dni

Top użytkownicy w tym temacie

Opublikowane grafiki

Opublikowano (edytowane)
51 minut temu, Kowalski napisał(a):

Pozbyłem się tych sznurków grupujących kable (no bo bez przesady) ale nie wiem, czy to grupowanie ma jednak jakieś znaczenie.

Oraz czy lniany sznurek (a może nylonowy) ma jakiś wpływ na "kapacytancyjne sprzęganie do punktów o wysokiej impedancji".  Poważnie pytam 😮

Edytowane przez Kowalski
  • G.Moderator
Opublikowano

Jeśli chcesz zobaczyć zdjęcie, zaloguj się lub zarejestruj nowe konto

To jest lekki szajs, bo masz darlingtony a między nimi  filtry, chyba, bo słabo widać kropki na schemacie. Tworzenie wiązek ma sens bo łatwo wzbudzisz to cudo. Posłuchaj generatora poruszając kablami to się dowiesz czy położenie kabli jest krytyczne.

Aby zobaczyć więcej treści proszę zarejestrować się.

Jeśli chcesz dodać odpowiedź, zaloguj się lub zarejestruj nowe konto

Jedynie zarejestrowani użytkownicy mogą komentować zawartość tej strony.

Zarejestruj nowe konto

Załóż nowe konto. To bardzo proste!

Zarejestruj się

Zaloguj się

Posiadasz już konto? Zaloguj się poniżej.

Zaloguj się
×
×
  • Dodaj nową pozycję...

Powiadomienie o plikach cookie

Korzystając z tej witryny, wyrażasz zgodę na nasze Warunki użytkowania Regulamin Polityka prywatności.