Skocz do zawartości

Rekomendowane odpowiedzi

Opublikowano

Witam!

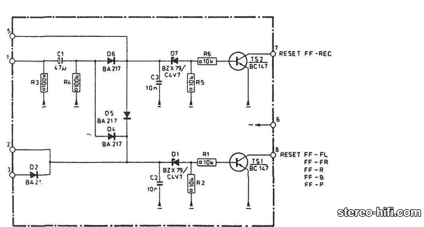
Jestem nowym członkiem tego Forum, mam 75 lat i w ramach walki z nudą nabyłem za niewielkie pieniądze piękny, ale zaniedbany magnetofon Philips N4418. Po usunięciu kawałków rozwulkanizowanych pasków zacząłem go uruchamiać. To mój pierwszy tak poważny magnetofon, więc proszę o wyrozumiałość i dobre słowo. Pierwszy problem, to nie działające klawisze-wymieniłem elektrolity na płytkach i poszło. Niestety cały czas świeci REC i załączony jest przekaźnik nagrywania. Doraźnie odlutowałem zasilanie cewki przekaźnika i magnetofon odtwarza. Tranzystory na płytce przycisku sprawdziłem , innej płytki na podmianę nie mam. Dźwięk słychać tylko w jednym głośniku- jak zdjąć tylną pokrywę,żeby dostać się do głośników-może jeden jest uszkodzony, bo na wyjściach dodatkowych głośników gra. Problem jest z prawą dźwignią napinającą taśmę-jest ułamana. Może ktoś ma taką dźwignię i poratuje mnie za nieduże pieniądze. Jaką rolę pełnią mikrostyki w górnych częściach tych dźwigni. Luźny przewód przy prawej zwierany do masy daje Auto-Stop. Będę wdzięczny za rady doświadczonych kolegów, bo szkoda byłoby utylizować tak ładny i solidny magnetofon.

Pozdrawiam-Gezegorz

  • Odpowiedzi 6
  • Dodano
  • Ostatniej odpowiedzi

Top użytkownicy w tym temacie

  • bilcor

    3

  • dudi

    3

  • staszek66

    1

Popularne dni

Opublikowano
25 minut temu, dudi napisał(a):

w ramach walki z nudą nabyłem za niewielkie pieniądze piękny, ale zaniedbany magnetofon Philips N4418

Witaj na forum i strasznie Tobie zadroszę takiej opcji nudy :) . Też bym tak chciał i już się nie mogę doczekac emerytury ;)

.

27 minut temu, dudi napisał(a):

Niestety cały czas świeci REC i załączony jest przekaźnik nagrywania

Sprawdź czy jest tam też coś takiego jak listwa Zapis-Odczyt. W polskich magnetofonach ona lubiła często nie łączyć lub się zabrudzić/zaśniedzieć i robić zwarcie. Na resztę nie odpowiem, bo az tak się nie znam. Może ktoś inny coś podpowie, albo ma serwisówkę i wklei. Wtedy będzie Ci łatwiej się do niego, do środka dostać.

  • G.Moderator
Opublikowano

powolutku się wgłębimy w temat.

Na razie głośniki.

Jeśli chcesz zobaczyć zdjęcie, zaloguj się lub zarejestruj nowe konto

Aby zobaczyć więcej treści proszę zarejestrować się.

Jeśli chcesz dodać odpowiedź, zaloguj się lub zarejestruj nowe konto

Jedynie zarejestrowani użytkownicy mogą komentować zawartość tej strony.

Zarejestruj nowe konto

Załóż nowe konto. To bardzo proste!

Zarejestruj się

Zaloguj się

Posiadasz już konto? Zaloguj się poniżej.

Zaloguj się
×
×
  • Dodaj nową pozycję...

Powiadomienie o plikach cookie

Korzystając z tej witryny, wyrażasz zgodę na nasze Warunki użytkowania Regulamin Polityka prywatności.