Skocz do zawartości

Onkyo Integra TA-2048 / TA-2350


Rekomendowane odpowiedzi

  • Admin
Opublikowano

 

Onkyo_Integra_TA-2350_front.jpg

Onkyo Integra TA-2350

 

 

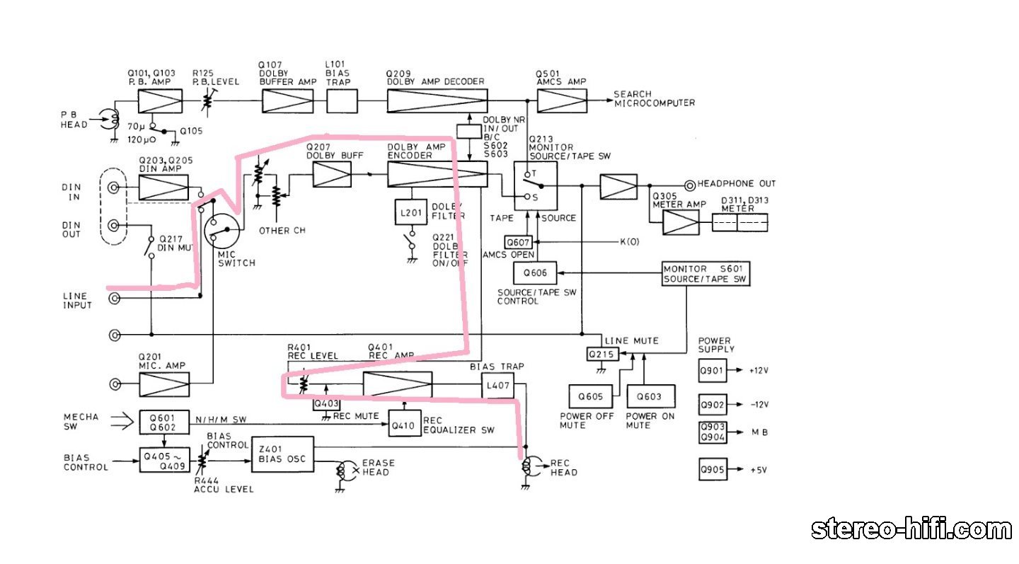
Dane techniczne:

Sound heads: 3, 1x Rec / Play separately Special Hardpermalloy, 1x erase head (ferrite head)
Engines: 1x DC servo rotor, 2x DC rotor
Fluctuation : 0.04% (WRMS)
Band types: Normal I, CrO2 II, Metal IV,
Frequency response:
        20 - 18,000 Hz (30 - 17,000 Hz ± 3 dB) for normal band
        20-19,000 Hz (30-18,000 Hz ± 3 dB) on chrome band
        20 - 20,000 Hz (30 - 19,000 Hz ± 3 dB) for pure iron strip
distortion:
    Signal to noise ratio:
        60 dB (pure iron band, without Dolby)
        With Dolby B enhancement by 10 dB over 5 kHz and 5 dB at 1 kHz
        With Dolby-C improvement by 20 dB at 5 kHz
Auto reverse: no
Title search: yes
Dolby: B / C
MPX filter: yes

Dimensions: 43.5 x 13.2 x 36.6 cm (WxHxD)

Weight: 5,8 Kg

Power consumption: 220 V, 50 Hz, 34 Watt

Original price approx.: 800 DM

Year of manufacture: 1986

Made in: Osaka, Japan

Color: black or silver

Remote control

 

Zakup wiadomo gdzie i wiadomo u kogo. Kupiony trochę z nudów by pogrzebać sobie w jakiejś maszynce, no i chciałem mieć srebrnego z tej serii. Przyszedł oczywiście utytłany jak siódme nieszczęście. Ktoś przede mną na klawiszu REC flamastrem wymalował wielką czarną kropkę, a na dwóch klawiszach przykleił folię samoprzylepną. Było zabawy w czyszczenie i odklejanie. Nie miał kabla, więc ciężko było na początku stwierdzić ile w nim życia pozostało. Typowo dla tego okresu Onkyo stosowało specjalną puszkę z tworzywa do podłączania napięć niebezpiecznych. Puszka ta znajduje się pod płytką procesora sterowania.

 

5ab91bffe6afd_Onkyo_Integra_TA-2350_kiesze.jpg.66abd9f1d384a24c21144347d26e4667.jpg Onkyo_Integra_TA-2350_bias_adjust.jpg.1ce9e37bddbb10f0fb75e435efab7bfd.jpg Onkyo_Integra_TA-2350_klawisze.jpg.d1a4a6b8e045089e7c9b87887f0a7a26.jpg 5ab91c000147b_Onkyo_Integra_TA-2350_gowice.jpg.9acb3fecb952ac0cc84c0fc7feb87ca2.jpg

 

Opublikowano

Ale stan "ścieżki zdrowia magnetofonu", jak nazywam tor przesuwu taśmy wskazuje, że trafiłeś niezajeżdżony egzemplarz.  :)

Opublikowano

No ładnie go doczyściłeś. Chyba zacznę podsyłać swoje złomki na kurację "spa" do Ciebie :)

Nie będziesz musiał wtedy wydawać pieniędzy na kupowanie z nudów.

Aby zobaczyć więcej treści proszę zarejestrować się.

Jeśli chcesz dodać odpowiedź, zaloguj się lub zarejestruj nowe konto

Jedynie zarejestrowani użytkownicy mogą komentować zawartość tej strony.

Zarejestruj nowe konto

Załóż nowe konto. To bardzo proste!

Zarejestruj się

Zaloguj się

Posiadasz już konto? Zaloguj się poniżej.

Zaloguj się
×
×
  • Dodaj nową pozycję...

Powiadomienie o plikach cookie

Korzystając z tej witryny, wyrażasz zgodę na nasze Warunki użytkowania Regulamin Polityka prywatności.