Sari la conținut

Technics SH-GE90


Postări Recomandate

Postat

ForkiIMG_20230116_194643.jpg.c2d2e1b793dce0edf9cb3f1c73453e12.jpg

 

IMG_20230120_224055.jpg IMG_20230120_224026.jpg IMG_20230120_224003.jpg IMG_20230116_194541.jpg

 

 

IMG_20230116_194604.jpg

 

Technics SH-GE90

 

Dane techniczne:

- 24-kanałowy, cyfrowy korektor parametryczny

- Charakterystyka częstotliwościowa w pozycji środkowej: 15Hz-20kHz, -1dB

- Maksymalne napięcie wejściowe: 2,3V (1kHz)

- Korektor graficzny (6 trybów zaprogramowanych): HEAVY, CLEAR, SOFT, VOCAL, HP ST, CAR STEREO

- Procesor dźwięku (6 trybów zaprogramowanych): HALL, LIVE, DISCO, CHURCH, STADIUM, THEATER

- Funkcja karaoke - Dwa wejścia mikrofonowe z osobną regulacją poziomu głośności

- Ręczne sterowanie przyciskiem tłumienia Karaoke/Voice, efekty wibracji/echa

- Wyświetlacz o trzech trybach wyświetlania

- Łatwa obsługa zaawansowanych funkcji procesora za pomocą pokrętła JOG - Wymiary: 430 x 92 x 290 mm

- Waga: 3 kg

  • +1 1
  • Răspunsuri 18
  • Creată
  • Ultimul Răspuns

Cele mai bune postere din acest subiect

  • telefon7

    11

  • bilcor

    4

  • sherlock

    3

  • seba3362

    1

Postat

Witam serdecznie wszystkich forumowiczów i korzystając z okazji składam życzenia noworoczne.

Mam pytanie do Was.

Czy jest możliwość upgrade-u tego korektora np. wymiana kondensatorów na lepsze lub innych podzespołów w nim aby obniżyć szumy i poprawić dynamikę, czy może jest to niemożliwe do wykonania z racji konstrukcji?

Bardzo proszę o odpowiedź i pozdrawiam

  • G.Moderator
Postat

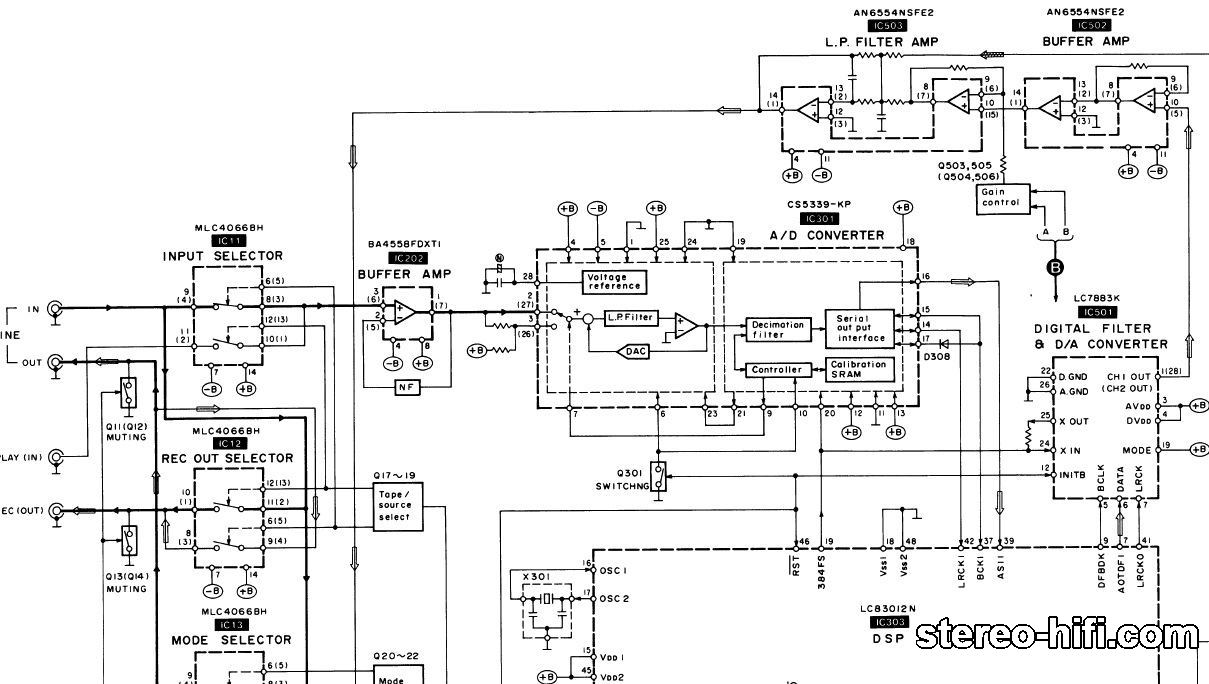
Chyba nie zaszalejesz. W tym modelu możesz zamienić 4066, klucze z wejścia na lepsze. I OP ze ścieżki sygnałowej. Ewentualnie poprawić zasilanie albo dodać kondycjoner ale to zależy czy badając napięcie zasilania płytek widzisz na oscyloskopie jakieś zakłócenia.

 

272782863_Zrzutekranu(179).jpg.b50d373fc75439f0ab83a3cc748af925.jpg

Please register to see more content.

Creează un cont sau autentifică-te pentru a adăuga comentariu

Trebuie să fi un membru pentru a putea lăsa un comentariu.

Creează un cont

Înregistrează-te pentru un nou cont în comunitatea nostră. Este simplu!

Înregistrează un nou cont

Autentificare

Ai deja un cont? Autentifică-te aici.

Autentifică-te acum
×
×
  • Creează nouă...

Informații Importante

By using this site, you agree to our Termeni de Utilizare Ghidări Politică Intimitate.