Skocz do zawartości

Rekomendowane odpowiedzi

Opublikowano

Cześć

 

Trafił mi się na "warsztat" Fisher DD 450, rzadko spotykany model 3 głowicowy. Włącza się, mechanizm coś tam rusza, ale ewidentnie jest jakiś problem (zauważyłem, że przewód zasilania od silnika nawijającego jest urwany). Wyświetlacz nie świeci na niebiesko jak powinien (i co można zobaczyć na zdjęciach sprawnych tych decków w necie). Święcą przyciski po wduszeniu o wyborze kasety, source..ale nie świeci tape. Po rozebraniu, odlutowaniu kilku przewodów, aby wyjąć mechanizm zauważyłem, że rolkę ktoś już wymieniał, wyciągał koło zamachowe capstanu bo brakuje 2 śrubek. Został kiedyś skręcony bardzo niechlujnie, brakuje śrubek. Martwi mnie ten wyświetlacz, że nie świeci bo znaleźć tego decka na części jest bardzo ciężko. Na szybko sprawdziłem, że do płytki od wyświetlacza dochodzi 8V i zauważyłem (że jak teraz podłączyłem wyświetlacz bez mechanizmu to delikatnie na nim świecą kolorem czerwonym 4 poziome kreski). Więcej nie sprawdzę bo nie mam schematu. 

Wrzucam parę fotek...

 

 

K1600_IMG_20231103_203133.JPG K1600_IMG_20231103_203351.JPG K1600_IMG_20231103_203654.JPG K1600_IMG_20231103_203704.JPG K1600_IMG_20231103_203122.JPG K1600_IMG_20231103_203739.JPG K1600_IMG_20231103_203052.JPG

 

K1600_IMG_20231103_202012.JPG K1600_IMG_20231103_184648.JPG K1600_IMG_20231103_191454.JPG K1600_IMG_20231103_192245.JPG K1600_IMG_20231103_192252.JPG K1600_IMG_20231103_192731.JPG K1600_IMG_20231103_201821.JPG

 

K1600_IMG_20231103_201849.JPG K1600_IMG_20231103_201828.JPG K1600_IMG_20231103_191622.JPG

 

K1600_IMG_20231103_193008.JPG

 

 

K1600_IMG_20231103_203000.JPG K1600_IMG_20231103_203249.JPG K1600_IMG_20231103_203140.JPGK1600_IMG_20231103_202951.JPG K1600_IMG_20231103_202940.JPG

 

 

 

  • G.Moderator
Opublikowano

Jeśli chcesz zobaczyć zdjęcie, zaloguj się lub zarejestruj nowe konto

SM widziałem płatne po 20 baksów, co i tak jest sukcesem.

Opublikowano

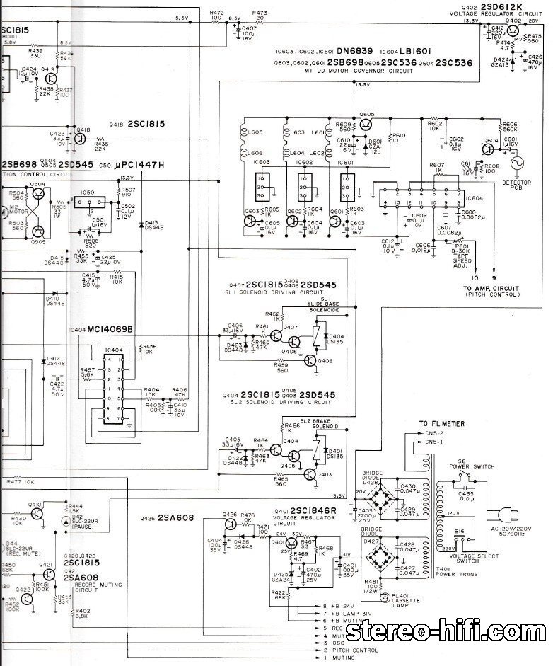
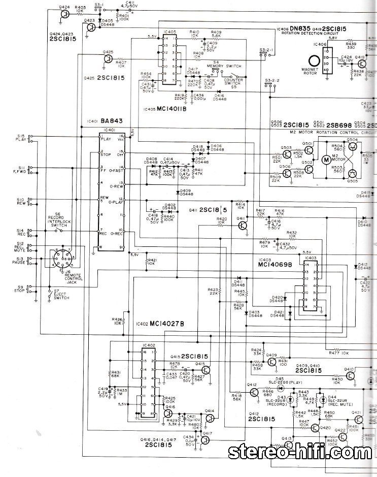
kupione SM będzie do 4 grudnia :)

  • O.K. (0 pts) 1

Aby zobaczyć więcej treści proszę zarejestrować się.

Jeśli chcesz dodać odpowiedź, zaloguj się lub zarejestruj nowe konto

Jedynie zarejestrowani użytkownicy mogą komentować zawartość tej strony.

Zarejestruj nowe konto

Załóż nowe konto. To bardzo proste!

Zarejestruj się

Zaloguj się

Posiadasz już konto? Zaloguj się poniżej.

Zaloguj się
×
×
  • Dodaj nową pozycję...

Powiadomienie o plikach cookie

Korzystając z tej witryny, wyrażasz zgodę na nasze Warunki użytkowania Regulamin Polityka prywatności.