Skocz do zawartości

Technics RS-DC10


Rekomendowane odpowiedzi

Opublikowano

Cześć.Posiadam od jakiegoś czasu magnetofon Technics RS DC 10.Magnetofon odtwarza kasety dcc bez problemu, natomiast ma problem z jednym kanałem podczas odtwarzania kasety analogowej.Myzyka jest ledwo słyszalna,a drugie gra ok.Kondesatory wymienione na obydwu płytkach, ścieżki całe,pomiar ciągłości ścieżek zrobiony.Przelotki także ok.Nic nie przeżarte,nic nie wylało.Czyzby głowicę już szlak trafił? Ktoś już miał taki objaw jak u mnie?

  • Odpowiedzi 3
  • Dodano
  • Ostatniej odpowiedzi

Top użytkownicy w tym temacie

  • magol

    2

  • chorazy3

    1

  • bilcor

    1

Top użytkownicy w tym temacie

Opublikowane grafiki

  • G.Moderator
Opublikowano

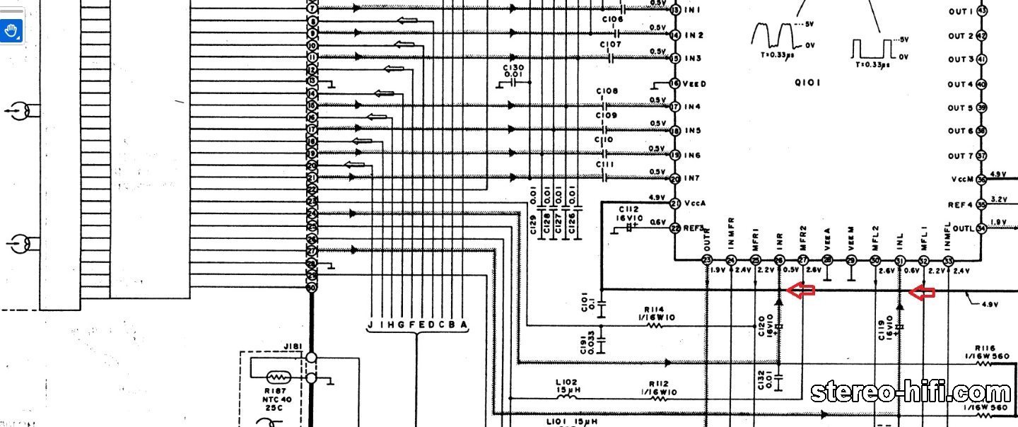
Jeżeli masz oscyloskop to możesz sprawdzić jaki sygnał dociera do scalaka. Po drodze tylko kondensator odprzęgający i szeregowy elektrolit.  Jeśli nie dochodzi to pewnie głowica. Jeśli masz problem z kanałem L to może być jeszcze wada prowadzenia, jest to ścieżka zewnętrzna.

Układ jest podobny jak w wielościeżkowym.

Jeśli chcesz zobaczyć zdjęcie, zaloguj się lub zarejestruj nowe konto

Jeśli chcesz zobaczyć zdjęcie, zaloguj się lub zarejestruj nowe konto

Opublikowano

Dziwny przypadek. Zawsze pierwsza para część DCC a nie analogowa. Ale teoretycznie jest to możliwe bo za analog odpowiadają dwa oddzielne kanały na głowicy. 

Tak czy siak nie polecam używać DCC do odtwarzania kaset analogowych, głowica szybko się zużyje a zamienników nie ma. 

Aby zobaczyć więcej treści proszę zarejestrować się.

Jeśli chcesz dodać odpowiedź, zaloguj się lub zarejestruj nowe konto

Jedynie zarejestrowani użytkownicy mogą komentować zawartość tej strony.

Zarejestruj nowe konto

Załóż nowe konto. To bardzo proste!

Zarejestruj się

Zaloguj się

Posiadasz już konto? Zaloguj się poniżej.

Zaloguj się
×
×
  • Dodaj nową pozycję...

Powiadomienie o plikach cookie

Korzystając z tej witryny, wyrażasz zgodę na nasze Warunki użytkowania Regulamin Polityka prywatności.